Измерители давления ПРОМА-ИДМ-010 со встроенным датчиком

Предназначен для непрерывного измерения значений:

  • вакуумметрического давления (ДВ);
  • вакуумметрического и избыточного давления (ДИВ);
  • избыточного давления (ДИ);
  • перепада давлений воздуха и нейтральных газовых сред (ДД).

Используется для работы в системах автоматического контроля, регулирования и управления технологическими процессами в теплоэнергетике, системах газораспределения и газопотребления, вентиляции, контроля газовых фильтров, счетчиков и в других отраслях.

Рабочая среда – газ, воздух.


Исполнения:


- щитовое (Щ) под отверстие 48 х 96; корпус пластик;

- настенное (Н); корпус пластик.

Конфигуратор


Модификации

В данный момент модификации отсутствуют

Описание



исполнения


Тип

Модель

Предел
измерений кПа

Перегрузка
кПа

Рабочее
давление
МПа

Класс точности

Рабочая среда

Измеритель

вакуумметрического

давления

ПРОМА-ИДМ-4х-ДВ

ПРОМА-ИДМ-ДВ

ДВ - 6

-1,6

-100

 

1

Газ, воздух

-2,5

-100

 

1

-4

-100

 

0,5

-6

-100

 

0,5

ДВ-40

-10

-100

 

1

Газ, воздух

-16

-100

 

1

- 25

-100

 

0,5

- 40

-100

 

0,5

Измеритель

избыточного

давления

ПРОМА-ИДМ-4х-ДИ

ПРОМА-ИДМ-ДИ

ДИ-0,25

+0,06

+20

 

1

Газ, воздух

+0,1

+20

 

1

+0,16

+20

 

0,5

+0,25

+20

 

0,5

ДИ-0,6

+0,125

+20

 

1

Газ, воздух

+0,25

+20

 

1

+0,4

+20

 

0,5

+0,6

+20

 

0,5

ДИ-6

+1,6

+20

 

1

Газ, воздух

+2,5

+20

 

1

+4

+20

 

0,5

+6

+20

 

0,5

ДИ-40

+10

+400

 

1

Газ, воздух

+16

+400

 

1

+25

+400

 

0,5

+40

+400

 

0,5

ДИ-160

+40

+400

 

1

Газ, воздух

+60

+400

 

1

+100

+400

 

0,5

+160

+400

 

0,5

Измеритель

вакуумметрического и

избыточного

давления

ПРОМА-ИДМ-4х-ДИВ

ПРОМА-ИДМ-ДИВ

ДИВ-0,25

±0,05

±20

 

1

Газ, воздух

±0,08

±20

 

1

±0,125

±20

 

0,5

±0,25

±20

 

0,5

ДИВ-5

±1,25

±100

 

1

Газ, воздух

±2

±100

 

1

±3

±100

 

0,5

±5

±100

 

0,5

ДИВ-30

±8

±100

 

1

Газ, воздух

±12,5

±100

 

1

±20

±100

 

0,5

±30

±100

 

0,5

Измеритель

разности

давлений

ПРОМА-ИДМ-4х-ДД

ПРОМА-ИДМ-ДД

ДД-0,25

0,06

+20/-20

0 – 0,1

1

Газ, воздух

0,1

+20/-20

0 – 0,1

1

0,16

+20/-20

0 – 0,1

0,5

0,25

+20/-20

0 – 0,1

0,5

ДД-0,63

0,16

+20/-20

0 – 0,1

1

Газ, воздух

0,25

+20/-20

0 – 0,1

1

0,4

+20/-20

0 – 0,1

0,5

0,63

+20/-20

0 – 0,1

0,5

ДД-4

0,6

+20/-20

0 – 0,1

1

Газ, воздух

1,6

+20/-20

0 – 0,1

1

2,5

+20/-20

0 – 0,1

0,5

4

+20/-20

0 – 0,1

0,5

ДД-6,3

1,6

+20/-20

0 – 0,1

1

Газ, воздух

2,5

+20/-20

0 – 0,1

1

4

+20/-20

0 – 0,1

0,5

6,3

+20/-20

0 – 0,1

0,5

ДД-25

6,3

+70/-35

0 – 0,1

1

Газ, воздух

10

+70/-35

0 – 0,1

1

16

+70/-35

0 – 0,1

0,5

25

+70/-35

0 – 0,1

0,5

ДД-63

16

+150/-70

0 – 0,1

1

Газ, воздух

25

+150/-70

0 – 0,1

1

40

+150/-70

0 – 0,1

0,5

63

+150/-70

0 – 0,1

0,5





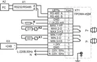
схема внешних подключений



ПРОМА-ИДМ-4Х


Прома-ИДМ

R – нагрузка токового выхода (суммарная – не более 500 Ом),

К1, К2 – реле постоянного или переменного тока типа РП-23, РП-25, РПЛ-122, 8Э12 и их аналоги с током управляющей обмотки не более 0,1А,

А1 – преобразователь интерфейса RS-232 / RS-485 c гальванической развязкой типа ADAM-4520,

А2 – ПЭВМ РС с программным обеспечением для SCADA системы,

G1,G2 – источники напряжения от 5 до 220В постоянного или переменного тока, в зависимости от типа реле,

G3 – источники постоянного тока 24В с допустимым током 0,2А на один прибор.


Технические характеристики


основные технические характеристики


Предел допустимой основной погрешности, %

1 (0,5 для 2 верхних пределов)

Напряжение питания

 = 24В или ~ 220В, 50Гц

Индикация показаний

 цифровое табло – 4 знакоместа

Выходной токовый сигнал аналоговый, мА

 4-20

Погрешность токового сигнала, %

 0,5 или 1

Количество уставок пределов давления

 2 или 4

Зона уставок, % от диапазона

 0-100

Дискретность уставок % от диапазона

 1

Температура окружающей среды, °С

 от -20 до +50

Степень защиты (код IP)

- щитовой лицевая панель / внутренняя часть

- настенный

 

 IP54 / IP40

 IP54

Допустимая нагрузка на контакты реле при 220В, 50Гц или =30В, А

 2

Габаритные размеры, мм: длина х ширина х высота

- щитовой

- настенный

 

 114 х 60 х 138

 110 х 172 х 50